Продукция:

 

 ТОКОВИ ИЗМЕРВАТЕЛНИ ТРАНСФОРМАТОРИ

ЗА 10, 20 И 35 кV

 Токовите измервателни трансформатори за напрежение 10, 20 и 35 кV са предназначени за мерене на променливи токове от 10 до 3000 А. Предвидени са за монтаж в закрити разпределителни табла и устройства.

Нормалната работа на трансформаторите се обезпечава при следните условия:

- температура на околната среда от -35 до +40°С

- височина над морското равнище до 1000 м

- климатични условия – съгласно климатичното изпълнение за нормален или тропически климат.

 

Изпълняват се няколко модификации:

- стоящи и проходни;

- многонавивкови и еднонавивкови;

- със и без собствена първична намотка;

- с една или повече вторични намотки;

- със или без собствена първична намотка.

 

Активната част на трансформаторите е залята с епоксиден компаунд, който едновременно е както изолация между първичната и вторична намотки така и външна изолация.

 Трансформаторите отговарят на изискванията на БДС 448-83г.

 Изготвят се в нормално и тропическо изпълнение.

 Изработват се следните типове трансформатори

- ТКС – 12 – стоящ; гама от 10 ÷ 800 А;

- ТКС – 24 – стоящ; гама от 10 ÷ 800 А;

- ТКС – 12, 24 – с превключване;

- ТКН – 24 – проходен; гама от 20 ÷ 1200 А;

- ТКЕА –12 – проходен; гама от 800 ÷ 3000 А;

- ТКЕА – 24 – проходен; гама от 800 ÷ 3000 А;

 

„ЗАВН-ДОБРИЧ” АД може да произведе показаните конструкции токови трансформатори с други технически параметри (клас на точност, номинален първичен ток, номинален вторичен ток и т.н.) отговарящи на БДС, IEC, ГОСТ по заявка на клиента.

 

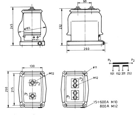
Гама токови измервателни трансформатори стоящ:

 

тип ТКС - 12:

ТЕХНИЧЕСКИ ДАННИ

ТИП

Iph

(A)

Ith

(kA)

1S1-1S2

кл. 0,5; Fsn 10

Pn (VA)

2S1-2S2

кл. 5P; Fsn 10

Pn (VA)

МАСА

g)

 ТКС -12

15

3

15

15

 18

20

 

 

 

30

4,5

30

 30

50

7,5

75

10

100

 

150

15

200

20

300

30

400

 

500

 

40

15

15

600

30

30

800

          

тип ТКС - 24:

 ТЕХНИЧЕСКИ ДАННИ

ТИП

Ipn

(A)

Ith

(kA)

1S1-1S2

кл. 0,5; Fsn 10

Pn (VA)

2S1-2S2

кл. 5Р; Fsn 10

Pn (VA)

МАСА

(кg)

 

 

 

 

 

 

ТКС - 24

15

3

15

15

 

 

 

 

 

 

19

20

 

 

 

30

4,5

 

 

 

 

30

 

 

 

 

30

50

7,5

75

10

100

 

150

15

200

20

300

 

400

 

500

 

40

15

15

600

30

30

800

 

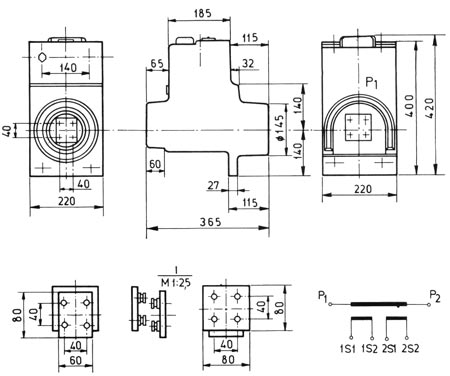
Гама токови измервателни трансформатори за монтаж в КРУ

 

 

тип ТКН – 24 двуядрен проходен тип

 

   ТЕХНИЧЕСКИ ДАННИ

ТИП

Ipn

(A)

Ith

(kA)

1S1-1S2

кл. 0,5; Fsn 10

Pn (VA)

2S1-2S2

кл. 5Р; Fsn 8

Pn (VA)

МАСА

(кg)

 ТКН -24

20

30

50

5

6

10

 15

 30

 34

75

 

100

150

15

 30

200

300

20

400

30

500

45

600

 ТКН -24

600

/80/

30

30

34

800

1000

1200

 

тип ТКС – 12, 24  с превключване

 

 

ТЕХНИЧЕСКИ ДАННИ

ТИП

Ipn

(A)

Ith

(kA)

1S1-1S2

кл. 0,5; Fsn 10

Pn (VA)

2S1-2S2

кл. 5Р; Fsn 8

Pn (VA)

D

 

mm

МАСА

(кg)

 

ТКС – 12

с превключване

 

ТКС – 24

с превключване

2 х 25

2 х 4,5

30

 30

 3

 19

2 х 50

2 х 7,5

2 х 75

2 х 9

2 х 100

2 х 12

 6

2 х 150

2 х 15

2 х 200

2 х 20

2 х 300

2 х 30

2 х 400

2 х 40

 

 Двуядрен проходен тип без собственна първична намотка

ТКЕА – 12,24

   ТЕХНИЧЕСКИ ДАННИ

Тип

L1

/mm/

L2

/mm/

L

/mm/

a

/mm/

b

/mm/

МАСА

/kg/

ТКЕА -12 ЗМ

800÷2500А

110

150

290

38

107

24

ТКЕА -12 ОМ

1000÷2500А

125

175

330

34

107

26

ТКЕА -24

1000÷2500А

195

195

420

34

103

28

   ЗМ – закрит монтаж

   ОМ – открит монтаж

 

 

Тип

Ipn

(A)

Ith

(kA)

1S1-1S2

кл. 0,5; Fsn 10

Pn (VA)

2S1-2S2

кл. 10P; Fsn 10

Pn (VA)

 

ТКEA – 12

 

ТКЕА – 24

 

800

 

 

 

(80)

 

 

 

30

 

30

1000

1200

1500

2000

60

2500

  

Гама токови измервателни трансформатори стоящ

тип ТКС – 12, 24 с повишен ток на термическа устойчивост

ТЕХНИЧЕСКИ ДАННИ

ТИП

I pn

A

I th

kA

Pn /VA/

1S1 – 1S2

Pn /VA/

2S1 – 2S2

Клас на точност

 TKС – 12, 24

20

10

15

30

0,5

30

20

30

30

0,5

50

25

30

30

0,5

75

25

30

30

0,5

100

25

30

30

0,5

150

25

30

30

0,5

200

25

30

30

0,5

250

25

30

30

0,5

300

31,5

30

30

0,5

400

31,5

30

30

0,5

600

50

30

30

0,5

800

50

30

30

0,5

1000

50

30

30

0,5

1200

80

30

30

0,5

1500

80

30

30

0,5