Продукция:

 

ТОКОВИ ИЗМЕРВАТЕЛНИ ТРАНСФОРМАТОРИ

ЗА ЗАКРИТ МОНТАЖ 0,5 kV

 

Токовите измервателни трансформатори за номинално работно напрежение 0,5 кV са предназначени за измерване на променливи токове до 3000 А. Те са предвидени за монтаж в закрити електроразпределителни устройства и табла за ниско напрежение.

Нормалната им работа се обезпечава при следните експлоатационни условия:

 

- температура на околната среда от – 35 до + 40°С

-  височина над морското равнище до 1000 m

- климатични условия – съгласно климатично изпълнение за:

нормален и тропически климат.

 

Трансформаторите са сухи, заляти с епоксидна изолация. Имат собствена първична намотка, изработена от медни профилни проводници или от шина в зависимост от стойността на първичния ток.

Изготвят се в нормално и тропическо изпълнение.

Отговарят на изисквания на БДС 448-83.

 

ТЕХНИЧЕСКИ ДАННИ

ПАРАМЕТРИ Мярка ТСЕ

0,75

ТСШ

0,75

ТСВ

0,75

Номин. работно напрежение kV 0,5 0,5 0,5
Максим. работно напрежение kV 0,75 0,75 0,75
Номин. първичен ток А 30 - 600 600 - 3000 300 - 1000
Номин. вторичен ток А 5 5 5
Номин. мощност VA 5 15 3,75-15
Клас на точност   0,5 0,5 0,5

 

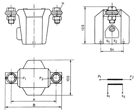
Гама токови измервателни трансформатори

  

тип ТСЕ - 0,75:

 

 

         ТЕХНИЧЕСКИ ДАННИ                          РАЗМЕРИ в мм

Тип Ipn

(А)

Ith

(кА)

S1-S2

kл. 0,5;Fs,n10

A

(mm)

В

(mm)

М

(mm)

Маса

(кg)

 ТСЕ-0,75 30 1,6

 5

 142  172  8 х 20  2,100
50 3,4
75 4,3
100 5,4
150 9,0
200 10,8 10 х 20
300 16,0  2,300
400 21,0  

147

  12 х 30
500 37,0 16 х 35
600

 

 

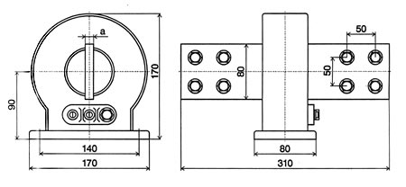
тип ТСВ - 0,75

 

        ТЕХНИЧЕСКИ ДАННИ    

  ТИП

Ipn

(А)

Ith

(kA)

S1-S2

Pn (VA)

S1-S2

Pn (VA)

S1-S2

Pn (VA)

I

p.

II

p.

I

p.

II

p.

I

p.

II

p.

 ТСВ

0,75

300

18

3,75

5

5

10

7,5

-

400

24

5

10

10

15

15

-

500

30

5

15

10

-

15

-

600

36

10

15

15

30

-

-

800

32

15

30

30

-

-

-

1000

40

15

30

30

-

-

-

 

РАЗМЕРИ в мм

ТИП

Ipn

(А)

Размери I

Маса

кg

Размери II

Маса

кg

а

b

L

L1

а

b

L

L1

ТСВ

0,75

мод.1

300

400

500

600

 36

 -

 120

 80

 1,0

 56

 -

 140

 100

 1,2

ТСВ

0,75

мод.2

800

1000

36

-

140

90

1,1

56

-

160

110

1,3

 

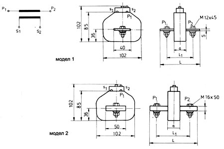
тип ТСШ - 0,75:

 

ТЕХНИЧЕСКИ ДАННИ

ТИП

Ipn

A

Ith

kA

S1 – S2

Pn (VA)

Клас на

точност

a

mm

 ТСШ – 0,75

1200

216

 15

 0,5

8

1500

270

10

2000

360

12

2500

450

2 х 8

3000

540

2 х 10

 

 

ЗАЩИТНИ ТРАНСФОРМАТОРИ ЗА ТОКОВЕ С НУЛЕВА ПОСЛЕДОВАТЕЛНОСТ

 Тези трансформатори са предназначени за захранване на релейна защита земни къси съединения. Релетата се включват към вторичната намотка на тези трансформатори и при отсъствие на токове с нулева последователност не трябва да влизат в действие, независимо от наличието на ток на небаланс-резултат от несиметричното разположение на трите кабелни ядра.

Трансформаторите се изпълняват с тороидален магнитопровод, набран от силициева електротехническа листова стомана и вторична намотка от меден кръгъл проводник.

Активната част е залята с епоксидна смола.

За първична намотка служи трижилен кабел за високо напрежение.

За гарантиране на необходимата чувствителност на токовата защита е необходимо характеристиката на трансформатора да попада в защтрихованата част, показана на фигурата.

 ТИП ТСЗ