|
НАПРЕЖЕНОВИ
ИЗМЕРВАТЕЛНИ ТРАНСФОРМАТОРИ
Напреженови
измервателни трансформатори за номинално работно напрежение 6, 6,3, 10,
15, 20 кV за монтаж в закрити съоръжения.
Трансформаторите са
изработени с шихтован магнитопровод от електротехническа стомана. На
магнитопровода е навита намотка НН, а на нея е надяната първичната
намотка ВН, съставена от отделни секции.
Активната част е залята
с компаунд от епоксидна смола.
Експлоатационни условия:
- температура на
околната среда от -35 до +40°С
- височина над
морското равнище до 1000 m
- климатични изпълнения:
за нормален и тропически климат.
Изпълняват се незаземен
(двуполюсен) и заземен (еднополюсен) напреженови трансформатори.
Трансформаторите
отговарят на изискванията на БДС ЕN 60044-2 и IEC 44-2.
ТЕХНИЧЕСКИ ДАННИ ЗА ТРАНСФОРМАТОРИ от серия НК-напреженови
|
ТИП |
Първично номинално
напрежение Upn
kV |
Коефициент
на трансформация
Upn / Usn
kV |
Мощност
номинална
и пределна
Pn / Prp
VA |
Клас на
точност |
Маса
kg
|
|
НК – 7,2 |
6 |
6 / 0,1 |
100 / 400 |
0,5 |
27 |
|
НК – 7,2 |
6:3 |
6,3 / 0,1 |
100 / 400 |
0,5 |
27 |
|
НК – I – 7,2 |
6 : Ö3 |
6:Ö3 / 0,1: Ö3 / 0,1:3 |
50 / 200 |
0,5 |
26,5 |
|
НК – I – 7,2 |
6,3: Ö3 |
6:Ö3 / 0,1: Ö3 / 0,1:3 |
50 / 200 |
0,5 |
26,5 |
|
НК – 12 |
10 |
10 / 0,1 |
100 / 500 |
0,5 |
27 |
|
НК – 12 |
11 |
11 / 0,1 |
100 / 500 |
0,5 |
27 |
|
НК – 12 |
11 |
11 / 0,1 |
80 / 500 |
0,5 |
27 |
|
НК – I -12 |
10: Ö3 |
10: Ö3 / 0,1: Ö3 / 0,1:3 |
50 / 300 |
0,5 |
26,5 |
|
НК – I -12 |
11: Ö3 |
11: Ö3 / 0,1: Ö3 / 0,1:3 |
50 / 300 |
0,5 |
26,5 |
|
НК – I -12 |
11: Ö3 |
11: Ö3 / 0,11: Ö3 / 0,11:3 |
50 / 300 |
0,5 |
26,5 |
|
НК – 24 |
15 |
15 / 0,1 |
120 / 750 |
0,5 |
40 |
|
НК – 24 |
20 |
20 / 0,1 |
120 / 750 |
0,5 |
40 |
|
НК – I – 24 |
15: Ö3 |
15: Ö3 / 0,1: Ö3 / 0,1:3 |
60 / 500 |
0,5 |
40 |
|
НК – I – 24 |
20: Ö3 |
20: Ö3 / 0,1: Ö3 / 0,1:3 |
60 / 500 |
0,5 |
40 |
„ЗАВН-ДОБРИЧ”
АД може да произведе показаните конструкции напреженови измервателни
трансформатори с други технически параметри (клас на точност, номинално
първично работно напрежение, номинално вторично работно напрежение и т.н.)
отговарящи на БДС, IEC, ГОСТ по заявка на клиента.
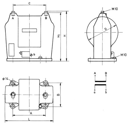
Незаземен (двуполюсен) напреженов трансформатор
тип
НК – 7,2; 12; 24

РАЗМЕРИ в мм
|
|
РАЗМЕРИ
/mm/ |
Маса
/кg/ |
|
ТИП |
НК - 7,2
НК-12 |
НК-24 |
НК - 7,2
НК -
12 |
НК-24 |
|
А |
200 |
220 |
27 |
40 |
|
В |
155 |
165 |
|
С |
175 |
220 |
|
D |
190 |
215 |
|
H1 |
302 |
329,5 |
|
H |
315 |
340 |
|
L |
276 |
318 |
ТЕХНИЧЕСКИ ДАННИ
|
ТИП |
Upn
/V/ |
Usn
/V/
a -b |
кл. 0,5
Рn
/VA/
a-b |
Prp
/VA/
a-b |
|
HК-7,2 |
6000 |
100 |
100 |
400 |
|
НК-7,2 |
6300 |
100 |
100 |
400 |
|
НК-12 |
10000 |
100 |
100 |
500 |
|
НК-12 |
11000 |
100 |
100 |
500 |
|
НК-12 |
11000 |
110 |
80 |
500 |
|
НК-24 |
15000 |
100 |
120 |
750 |
|
НК-24 |
20000 |
100 |
120 |
750 |
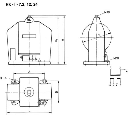
Заземен (еднополюсен) напреженов
трансформатор
тип
НК – I-7,2; 12; 24

|
ТИП |
РАЗМЕРИ
/mm/ |
Маса
/кg/ |
|
НК
-
I -
7,2
НК -
I - 12 |
НК
- I -
24 |
НК
-
I -
7,2
НК -
I - 12 |
НК
- I -
24 |
|
А |
200 |
220 |
26,5 |
40 |
|
В |
155 |
165 |
|
D |
190 |
215 |
|
H1 |
282 |
352 |
|
H |
295 |
365 |
|
L |
276 |
331 |
ТЕХНИЧЕСКИ
ДАННИ
|
ТИП |
Upn
/V/ |
Usn
/V/
|
кл. 0,5
Рn
/VA/ |
кл.
1
Рn
/VA/
|
Prp
/VA/
|
кл.
3
Рn
/ VA |
|
a - x |
e - n |
a - x |
a - x |
a - x |
e - n |
|
НК -
I -
7,2 |
6000:Ö3 |
100:Ö3 |
100:3 |
50 |
100 |
200 |
30 |
|
НК -
I -
7,2 |
6000:Ö3 |
100:Ö3 |
100:3 |
50 |
100 |
200 |
30 |
|
НК -
I - 12 |
10000:Ö3 |
100:Ö3 |
100:3 |
50 |
100 |
300 |
30 |
|
НК -
I - 12 |
11000:Ö3 |
100:Ö3 |
100:3 |
50 |
100 |
300 |
30 |
|
НК -
I - 12 |
11000:Ö3 |
110:Ö3 |
110:3 |
50 |
- |
300 |
30 |
|
НК -
I - 24 |
15000:Ö3 |
100:Ö3 |
100:3 |
60 |
- |
500 |
30 |
|
НК -
I - 24 |
20000:Ö3 |
100:Ö3 |
100:3 |
60 |
- |
500 |
30 |
|
 |